Diary Diary Revolution



Home Page | PS3でH.264/AVC | Prontoのページ | 東芝ユーザーサポート | AV機器の部屋 | 68用フリーソフト | windows用フリーソフト | Zaurus用フリーソフト

2004/10/11(Mon)

(15:00)

WOWOW録画の「デアデビル」を見る。 向こうのヒーローは個人的に恨みによる復讐ものが多い。 にしても、こいつはヒーローとしてはかなり弱いよなぁ。 普通の人間にやられそうになってるわけだし。
んで、内容の方はしょぼいなぁ。 ハッピーエンドでないのは別にいいんだけど、どうもショボ過ぎる。


2004/10/12(Tue)

(23:00)

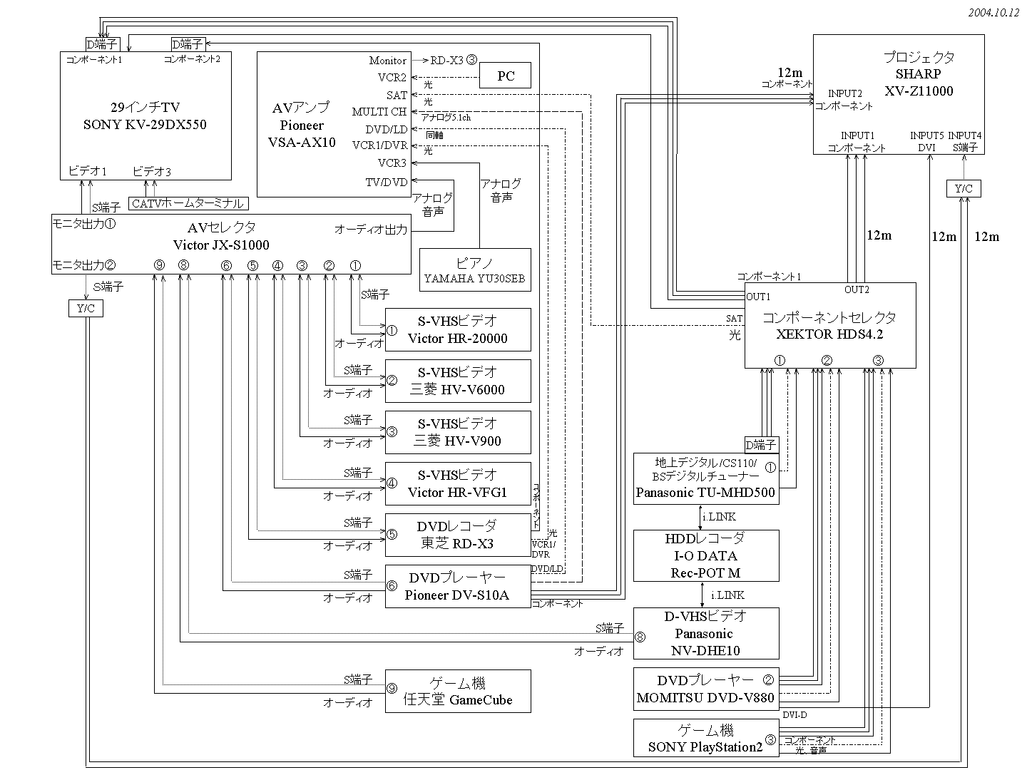
HDS4.2を導入してからの接続構成。

配線図
セレクタがS1000とHDS4.2だけになったので、ちょっと分かりやすくなった。 S10Aなどはプロジェクタにダイレクト接続してるので、 その部分はちょっと汚いけど。


2004/10/13(Wed)

(12:00)

【3管式プロジェクター最後の灯、消える。 バルコ、ホームシアター事業を売却譲渡】。 バルコの3管の販売経路がなくなるらしい。 これで3管は完全に消えていくんだろうなぁ。

(22:00)

Opera搭載au端末「W21CA」。 いい加減、いま使ってるDocomo PHSの端末がヘボくなってきたので、 この辺に乗り換えるかな。

(23:00)

Windows Update、Office Updateを掛けておく。 XP SP2だけど、特に問題はないな。


2004/10/14(Thu)

(23:30)

朝と夜はすっかり寒くなったねぇ。


2004/10/15(Fri)

(18:00)

ツ部。 今日は空いていたので、DARTSLIVEをほぼ独占状態で遊ぶ。 COUNT-UPは327でいまいち。CRICKETは4戦してなんとか1勝できた。 今回、始めてBOWLINGをプレイする。ルール自体はそんな悪くないんだけど、 なかなかスペアを取れないし、ちょっと間延びするし、いまいち盛り上がらない。
店員に聞いてみたら、今月中にDARTSLIVE7台体制になる予定だそうだ。 これで、遠慮なくDARTSLIVEで遊べるな。


2004/10/16(Sat)

(11:00)

『「受信料は支払わないとダメ」のウソ』。 まぁ、言わんとしたいことは分からんでもないし、 現状のNHKに問題があるのも事実だ。 だからと言っても、NHKを見るのに払わんというのは人として非常識だよな。 向こうがいい加減なことをしてるから従う必要がないってのも低俗だ。


2004/10/17(Sun)

(11:00)

今日は情報処理の日。 会場は徒歩で行けるので、家に戻って昼飯を食べる。

(15:10)

試験終了。 一番やばいのは午前か。

(17:00)

今日でSONYタワーの閉鎖なんで、フルハイビジョン液晶のSONY QUALIA005SHARP LC-45GD1、MITSUBISHI LCD-H37MRH4SAMSUNG LT46G15Wを比較視聴してみる。 やっぱり、QUALIA005が一番発色が良くて、そして一番自然な発色。 LC-45GD1も結構綺麗だけど、いろいろ加工して無理矢理発色させている印象だ。 SAMSUNGは頑張ってるけど、全体的に少し劣る。 MITSUBISHIは論外だな。I/P変換は奇数フィールドと偶数フィールドを何も考えずに 合成しているだけだ。動き検出などといった類の処理を一切してないので、 コムフィルタ出っぱなしで論外だ。製品として問題があるぞ。 というわけで、 SONY QUALIA >> SHARP LC-45GD1SAMSUNG LT46G15W >> MITSUBISHI LCD-H37MRH4 と言った所か。

(20:00)

この前、 「SEGA AGES 2500 シリーズ Vol. 16 バーチャファイター2」を買った勢いで、 「バーチャファイター10年の軌跡」も買ってみる。 うむ、VF1のポリゴンが懐かしいな。サラステージなんかを見ると、特にこみ上げてくる。 でも、ゲーム自体はVF4evoなんでちょっと残念。 中身もVF1にして欲しかった。


2004/10/18(Mon)

(10:30)

今日はトラブル対応で朝から客先。

(16:00)

「Pool & Darts JACK 心斎橋店」って所にDARTSLIVEが3台入ったようだ。 で、地図を見ると、「Bee SHINSAIBASHI」に隣接してるビルのようだ。 よりによって、そこまで近くなくてもいいんじゃ..

(24:00)

今日の昼はモス匠味アボガド山葵を食べたけど、猛烈に食べにくかった。


2004/10/19(Tue)

(9:30)

フルHD解像度の液晶プロジェクタ用「D5」パネル。 来年の中頃から、液晶プロジェクタはフルHD化の製品が出てくるんかな。

(9:30)

ONKYO TX-NA1000DENONのもそうだけど、マルチルーム機能なんているんか。 そんなところにコストを掛けて欲しくないよなぁ。

(12:00)

未だにSHARPBlu-Rayの発表がないなぁ。一体いつになるんだろうか。


2004/10/20(Wed)

(10:00)

台風が近づいているので、午後から退社命令が出そう。

(10:30)

客先へ移動。トラブって長引くと、電車が止まって帰れなくなるかもな。

(14:00)

客先を離脱。

(15:00)

モス匠味バーガーを食べようとしてたら、今日は取り扱ってないと言われた。 がっくり。

(16:00)

帰宅。

(21:30)

MAMEはVirtua Fighterをサポートしてるのか。凄い。


Home Page | PS3でH.264/AVC | Prontoのページ | 東芝ユーザーサポート | 68用フリーソフト | windows用フリーソフト | Zaurus用フリーソフト | FIVA | ThinkPad s30 | Zaurus | Blu-Ray表(XML) | PS-GF表 | ToD表 | Drill表 | GT3表(XML)