Diary Diary Revolution



Home Page | PS3でH.264/AVC | Prontoのページ | 東芝ユーザーサポート | AV機器の部屋 | 68用フリーソフト | windows用フリーソフト | Zaurus用フリーソフト

2006/1/21(Sat)

(10:00)

今日も仕事。

(19:00)

Xbox360(amazon)用のコンポーネントケーブルが届いた。 ビックカメラヨドバシでも全く売ってなかったので、 そもそも発売されていないのかと思ったよ。


2006/1/22(Sun)

(13:00)

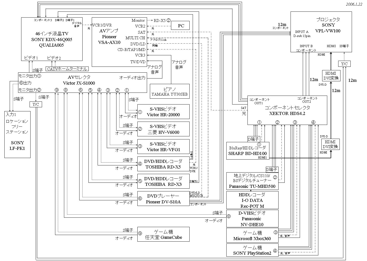
Xbox360(amazon)のコンポーネントケーブルを接続するために、少し配線を見直した。

配線図

DVD-V880を外して、Xbox360(amazon)をHDS4.2に接続した。 にしても、4入力では足りないよな。

(19:00)

BS-hi録画の「COWBOY BEBOP 天国の扉(amazon)」を見る。 COWBOY BEBOPをまともに見るのは初めてかな。
にしても、画質がむっちゃ悪い。DVD並の画質しかないな、こりゃ。 邦画って、マスターの管理がちゃんと出来てないのか。

(23:00)

PioneerのBD-ROMプレイヤーはDLNA対応で、WMV、DiVXなんかにも対応するらしい。 PCのコンテンツなんかもTVやプロジェクタで再生できるので、結構便利かも。 にしても、DLNAってどれくらい普及するのかなぁ。 まだまだ、相性やトリックプレイに難があるみたいで、実用レベルに達していないように思えるのだがどうだろうか。


2006/1/23(Mon)

(25:00)

東西合同スキー大会ということで、関西側メンバーの予約を入れる。 今年は3月3日(金)-5日(日)という日程で、ニセコです。 今シーズンは初めてなんだな。 去年の年末はドタバタしてて、スキーどころじゃなかったし。


2006/1/24(Tue)

(24:00)

なんか、ドタバタとした一日。 あんまりネタがないよなぁ。


2006/1/25(Wed)

(20:00)

明日から関東方面へ1泊で出張です。片道5時間以上掛かるので遠い...


2006/1/26(Thu)

(7:05)

出発の10分前に目覚めるという寝坊をする。 よりによって、出張の日に寝坊するか。 東京に行く程度なら、電車がいっぱいあるが、もっと僻地なので遅れると大変だ。

(13:00)

無事、間に合って現地到着。延べで6時間か。

(21:30)

今日の作業終わり。 順調にいけば、明日中に帰れるが、長引くと辿り着けないな。

(25:00)

CONNECT Playerがバージョンアップしたか。 3度目のバージョンアップになるから、そろそろ試してみてもいいかな。


2006/1/27(Fri)

(7:00)

今日は東横インに宿泊。
テレビを付けると、東横インの偽装工事のニュースが流れています。 なかなか素晴らしい目覚めです。

(8:00)

今日はこの時間から仕事。 ホテルに泊まってたから、いつもより遅く起きてるのでマシだが。

(15:00)

なんとか目処が付いたので帰るか。

(21:50)

帰宅。 6時間以上掛かったか。

(24:00)

HD DVD「ネバーランド」を3月28日発売。 「HD DVDはコストが安いので素晴らしい」という回答が1本5,040円ですか。ふーん、ダメじゃん。
んで、DVDとのハイブリッドではないのは自明だ。 DVDの2層とはハイブリッド化できないので、映画では使えない。 60分以下のコンテンツじゃないと、まともにハイブリッド化できないからだ。 やっぱり、使えないよな。


2006/1/28(Sat)

(12:00) バイオハザード II視聴

WOWOW録画の「バイオハザード II アポカリプス(amazon)」を見る。 DIで非常に高画質だった。 やっぱり、これからはDIじゃないとダメだな。

(13:00) ウィルコム 2xサービス

ウィルコム、高度化PHS規格「W-OAM」発表つなぎ放題[1x]の値段のままで、2xを利用できるようになるのか。 ということは、64kbpsが年間契約、AB割で月4,060円になる。 いまのeo64は64kbpsで3,000円である。 これは純粋なダイヤルアップ式だから、 電波が不安定なところでは接続自体が切れてしまって使い物にならない。 そういうことも考えると、乗り換えるかな。 丁度、乗り換えキャンペーンもやってるしね。

(16:00) 学習リモコンRC9500

某店で、 マランツの学習リモコンRC9500を見せてもらった。 マクロ機能が自由にカスタマイズできるので、RM-A2500より便利そうだ。 あと、カラーなので見やすいし。 あと、RM-A2500は単四電池6本積んでいるので、それに比べると非常に軽い。
ただ、値段が高いよね。プログラム料込みだから仕方ない部分ではあるが。 それなら、ProntoPro NGを個人輸入する方がいいと思う。

(26:30) 夜更かし

日曜日は23:00から仕事。それに体を合わせるために、夜更かししておく。


2006/1/29(Sun)

(13:30) 起床

起床。

(14:00) マーラー 交響曲第3番

amazonから 「マーラー 交響曲第3番」が届いた。 CD、SACD 2ch,5.1ch、DVD-Audio 2ch、5.1chがセットになってるので、比較視聴用ということで。

(17:30) 日記システムを修正

RSS化を見越して、要約を記述できるようにしてみた。

(23:00) 夜間作業

いまから客先で仕事です、萎えます。 まぁ、事前にスケジュールされたものだから、精神的には楽だけど。


2006/1/30(Mon)

(6:00) RSS対応

仕事の合間にRSS対応(index.rdf)をしてみた。 初めてのRSSなんで、変なところがあるかもしれないけど、RSSビューワでも見れてるので、なんとかなってるかな。

(10:00) スクランブル体制

今日は12時まで仕事。なのだが、他でトラブル発生の連絡があり、「スクランブル出動の準備せよ」とナンシーより入電。

(12:00) スクランブル回避

なんとか、スクランブルは回避された。 出撃したら、そのまま24時間モードになりそうだったもんな。

(13:00) 散財

VAIO Type Tに備えていろいろ散財。 まずはメモリの200-PIN SO-DIMM DDR2 533MHz PC2-4200 1GBを購入。これで、1.5GBになる。 うちのデスクトップは512MBしかないけど、ノートの方が3倍積んでることになる。 いまはノートを一番使ってるので、それもありだろう。ただ、ハイバネが遅くなるのが欠点だが。 次に、既存のACアダプタを流用するために、DCジャックを購入。変換してIBMのアダプタを再利用する。
あと、BluRayメディアを10枚購入。これで、トータル80枚。100枚の大台も目前だ。

(14:30) VAIO Type T発注

VAIO Type Tを購入しようと思っていたが、限定色のプレミアムブルーのワンセグ搭載機は既に売り切れ。 というわけで、ブラックのワンセグ搭載機を発注。

(15:00) 仮眠

とりあえず、仮眠。


2006/1/31(Tue)

(9:00) 体調

徹夜作業があったせいで、どうも調子が狂うねぇ。


Home Page | PS3でH.264/AVC | Prontoのページ | 東芝ユーザーサポート | 68用フリーソフト | windows用フリーソフト | Zaurus用フリーソフト | FIVA | ThinkPad s30 | Zaurus | Blu-Ray表(XML) | PS-GF表 | ToD表 | Drill表 | GT3表(XML)