Diary Diary Revolution



Home Page | PS3でH.264/AVC | Prontoのページ | 東芝ユーザーサポート | AV機器の部屋 | 68用フリーソフト | windows用フリーソフト | Zaurus用フリーソフト

2007/7/11(Wed)

(23:00) 明日は出張

明日は出張で朝が早い。早く寝よう。


2007/7/12(Thu)

(4:30) 起床

起床。

(5:10) 始発で出張

10時から東京で打ち合わせなので、始発に乗る。

(11:30) 打ち合わせ終了

無事、打ち合わせ終了。

(12:10) 大阪へトンボ帰り

16時から大阪で打ち合わせなので、そのままトンボ帰り。

(22:00) 打ち合わせ終了

6時間近い打ち合わせだった。

(22:30) 飲み会

上司に捕まって飲み会。

(24:30) 終電で帰宅

結局、始発に乗って、終電で帰宅か。
京王新線は遅れてるし、新幹線は大雨で遅れるし、帰りの環状線は線路に落ちた酔っ払いで遅れるし、散々だな。

(26:00) コピーワンスの見直し

「コピーワンス」見直しは「コピー9回」へ

この見直しルールは、「地上デジタル放送用」で、有料のBSデジタル放送などに
一律で導入されるものではない。
村井主査は「(地上デジタルだけでなくBS/CSも含む)3波共用チューナーであれば、
放送を見ながらその違いを検出する必要もある。4月からスタートしている技術
ワークグループでも、有料/無料を区別する技術的な工夫を導入できるという報告を
受けている」と説明した。

何?このadhocな実装方法は?
チューナーで受信して、i.LINK経由でHDDに録画するとき、それが有料放送なのか無料放送なのかは区別できないぞ。 ちゃんと検討してない証拠だ。
というわけで、まだまだ時間が掛かるな。
にしても、

映画業界からの意見としては、「10回という回数に驚いている。
映画においては、コピーネバーが原則。携帯電話、iPod、PSP(amazon)などの
機器での利用という理由もあるとはいえ、権利者の意思を離れた利用には
不満を持っている。

EPNなアメリカだと、権利者の意見を尊重して放送はしてないということなんかな。


2007/7/13(Fri)

(19:00) 飲み会

今日も会社の飲み会。飲み会の好きな部署だなぁ。


2007/7/14(Sat)

(9:30) 起床

起床。

(12:00) NV-DHE10の修理完了

松下テクノサービスが来て、NV-DHE10の修理が無事に完了した。 この人とまったく同じパーツの同じギア、同じ箇所の2つが欠けていた。

NV-DHE10

というか、欠け方まで同じだな。

項目 個数 金額
部品代(VXL2670 Tローディングアーム) 1 800
技術料 1 9,000
出張料 1 2,100
修理費 1 595
合計 12,495

技術料がちょっと高いなぁ。7,000円くらいかと思っていた。

(19:00) はてなスター導入

GORRYさんの情報を元に、はてなスターを導入してみた。 日記生成プログラムでH3を吐くようにして、後はCSSでH3のレイアウトをちょっと修正した。

(23:00) Blu-rayソフトの隠しコマンド

SPEのBlu-rayソフトには隠しコマンドがある。 トップメニューの画面で、「7669」と押すとカラーバーや SinePatternsのチャートなどが表示される。
隠しコマンドなんかにせずに、標準で持たせておけばいいのに....


2007/7/15(Sun)

(9:30) 起床

起床。台風は過ぎ去った後のようで、曇っているだけで穏やかな天気だ。

(11:00) CS110無料開放

この3連休はCS110無料開放か。 というわけで、ハイビジョン放送のJ sports Plusを見てみる。

(13:00) 草むしり

庭の草むしりをしてみた。

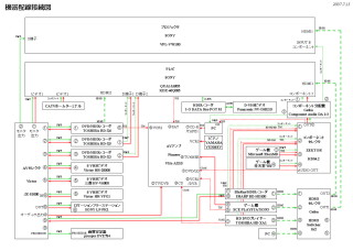
(21:00) 配線図

配線図を見直してみた。

ケーブル配線図
アンテナ配線図 i.LINK配線図

いまのHDMIセレクターは2分配しかないので、テレビ、プロジェクタ、PC(Intensity(amazon))を同時に繋ぐことが出来ないんだよなぁ。 なんとかしたいところだ。


2007/7/16(Mon)

(9:30) 起床

起床。

(22:00) WOWOWの地震速報

いままで私は見たこと無いけど、今回はWOWOWで地震速報が表示されたらしい。 で、ちょっと調べてみたら、WOWOWは震度6以上で地震速報を出すらしい。 確かに、これだと出会う確率はかなり低いな。


2007/7/17(Tue)

(12:00) 3連休明け

3連休明けの仕事は辛いな。リハビリが必要だ。

(23:00) VHS Community

Victorは「VHS Community」なんていうページを作っていたのか。 他社のカタログも集めてあるし、 VHS発表時のプレスリリース文章も置いてあるし、 なかなか資料性の高いページだ。


2007/7/18(Wed)

(23:00) VARDIA「RD-A600」のレビュー

第315回:コンテンツ保存に命を賭ける東芝VARDIA「RD-A600」。 なかなかニュートラルな記事だと思う。 にしても、HD DVDプレイヤーとしてのレビュー記事って一度も見たことないなぁ。


2007/7/19(Thu)

(17:00) ドタバタ

急に仕事が降ってきて、ドタバタ。


2007/7/20(Fri)

(24:00) 1080i対応のアナログキャプチャカード

1080i対応のキャプチャカード「Monster X」が来週発売PV3の代わりになりそうなキャプチャカードだ。 ソフトエンコードというところはそっくりだけど、 Vista対応、PCIeとPV3より優れているところもあるな。

(24:30) RD-A600のHD DVDプレイヤー機能

東芝の“勝負機”「RD-A600」を検証する(前編)。 へー、HD DVDプレイヤーモードでもRDのGUIになったのか。 前のRD-A1HD DVDプレイヤー部分はHD-XA1(amazon)のGUIをそのまま、HDDレコーダ部分はRDのままで、 CPUとOSを2つ積んでいた。 RD-A600ではちゃんと統一できたんだねぇ。 CPUはIntel CPUを積んでるみたいだから、RD部分もIntel CPUに移植したのかなぁ。 それだと、RD-A600でGUIが格段に早くなったのも説明が付くか。


Home Page | PS3でH.264/AVC | Prontoのページ | 東芝ユーザーサポート | 68用フリーソフト | windows用フリーソフト | Zaurus用フリーソフト | FIVA | ThinkPad s30 | Zaurus | Blu-Ray表(XML) | PS-GF表 | ToD表 | Drill表 | GT3表(XML)