Diary Diary Revolution



Home Page | PS3でH.264/AVC | Prontoのページ | 東芝ユーザーサポート | AV機器の部屋 | 68用フリーソフト | windows用フリーソフト | Zaurus用フリーソフト

2007/10/1(Mon)

(23:30) 帰宅

連続で打ち合わせが入って、帰りが遅くなってしまった。

(25:00) WMV再生対応のAVアンプ

パイオニア、AVアンプフラッグシップモデル「SC-LX90」。 こんなにゴツくなるなら、セパレートにしようよと思ってしまう。 D級だからセパレートにするのは難しいのかもしれないが。
にしても、WMVの動画再生に対応というのも微妙だなぁ。 オーディオ機器なんだから、映像再生は要らないと思ってしまう。 確かに、いまどきのAVアンプはLinuxを積んでたり、Webサーバになったりして、 DLNA対応も大した手間ではないのかもしれないが。

(25:00) 有機ELテレビ

ソニー、薄さ3mmの11型有機ELテレビを12月発売。 画質には非常に期待しているが、960×540では要らないな。 フルHDになれば考えよう。


2007/10/2(Tue)

(23:00) 帰宅

(23:10) 松下のBDレコーダー

松下、フルHD/AVC圧縮録画対応の「ブルーレイDIGA」。 やっと松下も発表。 まるでSONYの仕様を知っていたかのように、SONYの欠点をフォローアップしてるよな。 というわけで、簡単に比較表を作ってみた。

項番項目 SONY Panasonic
1 SONYブランドである ×
2 MPEG4/AVCのProfile Main High
3 1920を縮小せずにH.264/AVC化 ×
4 HDD(MPEG2)→HDD(H.264/AVC)のトランスコード×
5 i.LINK(TS)の入出力 ×
6 H.264/AVC変換時に音声をAACのまま変換×Dolby Digital ×DolbyDigital
7 H.264/AVCのDVD保存 ×

SONY信者ではないので、、SONYにする理由がない。というわけで、パナで決定だ。


2007/10/3(Wed)

(24:00) レポート書き

今日は早めに帰ってきたが、会社のレポート書きで忙しい。


2007/10/4(Thu)

(9:00) 眠い

眠い。

(24:00) RD-X7のトランスコーダ

RD-X7のトランスコーダ。 へー、H.264/AVCに変換しても音声はAACのままなんだ。 やるな。


2007/10/5(Fri)

(24:00) 藤井先生から一言

CEATECの藤井社長の基調講演。 今回は面白くないな、残念。


2007/10/6(Sat)

(12:00) ぷちローザ

ぷちローザ」でランチ。

ぷちローザ No.1 ぷちローザ No.2 ぷちローザ No.3 ぷちローザ No.4

(15:00) エネループを購入

エネループを初めて買ってみた。 最近、頻繁に充電が必要なモノは全て専用のリチウムイオン電池になっている。 単3,4電池タイプの使うものは、半年から1年持つリモコンのようなもので、 普通の充電池が使えないものしかない。 だから、そもそも充電池が向かないんだが、試しに使ってみることした。

(19:00) 翔家

翔家で宴会。 1年ぶりくらいかな、かなり久しぶりだ。


2007/10/7(Sun)

(10:00) 起床

起床。今日、明日は天気がいまいちらしい。

(15:00) Blu-ray版「300(スリーハンドレッド)」を観賞

Blu-ray版「300(スリーハンドレッド)(amazon)」を観賞。 派手だけど、思ったよりシーン数がなくてすぐ終わったという感じ。


2007/10/8(Mon)

(20:00) sonystyle soreでBDZ-X90を見る

この前、ハービスのsonystyle soreでBDZ-X90を見てきた。 H.264の映像も見せて貰ったが、ソースのMPEG2-TSの画像があまり画質が良くないし、 ほとんど動きのない映像だったので、あれでは評価できなかった。 テレビ側の設定のせいか、残像感もかなりあったし。
あと、XMBがかなりイマイチだった。PS3、PSP(amazon)、QUALIA005のXMBは60fpsか30fpsで動いているが、 BDZ-X90は15fpsくらいしか出てなくて、ガクガクだった。

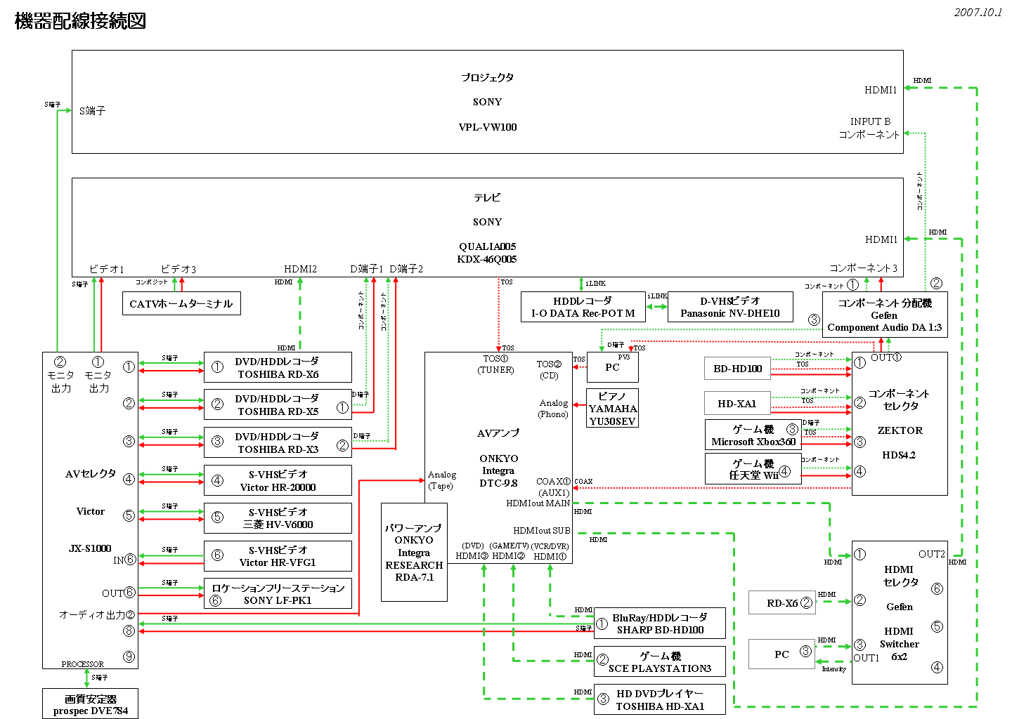
(23:00) AV機器の配線図を更新

AV機器の配線図を更新。

配線図

部屋の写真も合わせて更新。


2007/10/9(Tue)

(23:00) PS3の廉価版

SCE、39,980円の新「PS3」を11月11日発売Blu-rayプレイヤーが4万円を切るんだからいいんじゃない?
SACD機能を省いてそんなコスト削減なるのかな。処理はすべてソフトだから、ドライブのピックアップ部分だけだと思うが。 最大消費電力が380Wから280Wに下がってるから、電源回路のコスト削減も効いてるかもね。

(24:00) DMR-BW900を予約

DMR-BW900(amazon)を予約。 やっぱりi.LINKでTSのmoveが出来ないSONYは選択肢に入らない。


2007/10/10(Wed)

(24:00) PCでのH.264エンコード

今もうちのPCは頑張ってH.264エンコードしている。 でも、DMR-BW900(amazon)が来たら、PCでエンコードしなくなりそうだな。


Home Page | PS3でH.264/AVC | Prontoのページ | 東芝ユーザーサポート | 68用フリーソフト | windows用フリーソフト | Zaurus用フリーソフト | FIVA | ThinkPad s30 | Zaurus | Blu-Ray表(XML) | PS-GF表 | ToD表 | Drill表 | GT3表(XML)