Diary Diary Revolution



Home Page | PS3でH.264/AVC | Prontoのページ | 東芝ユーザーサポート | AV機器の部屋 | 68用フリーソフト | windows用フリーソフト | Zaurus用フリーソフト

2007/10/21(Sun)

(8:00) 情報処理試験

起床。
今日は情報処理試験の日。朝早くに起きないといけないのが辛い。 まぁ、会場が歩いて15分ところというのが救いではある。

(11:00) 昼休みに帰宅

昼休みなので、家に戻って昼飯。

(16:00) 終了

なんとか試験が終わった。 手書きで3,000文字なんで、試験でしか書くことない....

(17:00) Blu-ray版「スパイダーマン3」を観賞

Blu-ray版「スパイダーマン3(amazon)」を観賞。 もっとドンパチするのかと思ったが、そうでもなかった。


2007/10/22(Mon)

(23:00) DMR-BW900の入荷日

DMR-BW900(amazon)が26日に入荷するとアナウンスしているショップが複数ある。 私が注文したのも、それくらいで入らないかな。

(24:30) 藤井節

東芝・藤井氏「PS3が次世代DVDの普及を阻んでいる」 − 安価なレコーダーを近々発表か。 久しぶりの藤井節が来ました。
「アメリカでちゃんとしたBDプレーヤーはどこが出しているんだ。ソニーとサムスンだけだろう」。 HD DVDこそ東芝1社しかないんですが。
「PS3を購入したユーザーは、BDプレーヤーもHD DVDプレーヤーも買わないということ。これが次世代DVD普及を阻んでいる大きな理由の一つだ。BD陣営も、このことに早く気づいて欲しい」。 これは意味不明。BDプレイヤーとして使うんだから、BDの普及になってる。HD DVDプレイヤーが売れないというなら分かるが。
藤井氏ではないが、「ポニーキャニオン 第一映像本部 本部長 大柳英樹氏が、DVDと比較した際のHD DVDの魅力を説明。画質、音質ともに優れていることや、AACSにより無許諾コピーなどが撲滅できることなど、いくつかの例を挙げて説明した。」というのも どうかと思う。 既にキーがバレてコピーされる状態になったから、AACSは2回もキーを変えるハメになってる。 Blu-ray側はBD+を使い始めたくらいだ。 逆に、HD DVDAACSしかないから、コピープロテクトとしては弱い。


2007/10/23(Tue)

(13:00) 午後Q

今日は創立記念日みたいなもので午後Q。

(14:00) BD-Rメディア購入

新BDレコーダ用にBD-R、BD-R DL、BD-RE DLを買い込んでみた。 これでいつ来ても戦えるぜ。

(15:00) 学習リモコンの修理

学習リモコンRM-A2500を修理に出してみた。 ディスコンになってて、同等製品がないので仕方ない。


2007/10/24(Wed)

(18:30) 打ち合わせ

今日は打ち合わせだけで終わった気がする。


2007/10/25(Thu)

(22:00) 仕事終わり

20:00から打ち合わせが始まったので遅くなってしまった。

(25:30) HDMI1.3対応の分配器

ランサーテクノロジー、HDMI 1.3準拠の分配器・切替器HDMI1.3対応の分配器は始めてかも。


2007/10/26(Fri)

(18:00) ドタバタ

急遽、予定に変更が入って、今日もドタバタ。


2007/10/27(Sat)

(10:00) SOHOモード

SOHOモード。

(15:00) DMR-BW900を購入

DMR-BW900(amazon)が入荷したというので、ショップに行って購入。

DMR-BW900

本体は5kgしかないから、持ち帰りでも問題ない。
あと、おまけに 2007 DTS-HD2007 DTS-HD Master Audio Presentation Disc(Blu-ray demo disc)を貰った。 というわけで、DTS-HD Master Audioも体験できるな。

(18:00) DMR-BW900を設置

頑張って設置してみた。

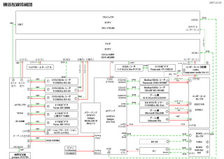
配線図

配線図はこんな感じ。AVアンプのHDMI4入力はすべて埋まってしまった。

(24:00) DMR-BW900を使って分かったこと

いろいろ触ってみて分かったことなどを列挙する。

  1. 最初の設定画面のメッセージを音声で読み上げてくれて、うっとおしい
  2. BD-HD100で録画したBD-RE1.0も問題なく読める。ちゃんとチャプターも認識してくれる
  3. BD-RE1.0のコピーフリーコンテンツをHDDにコピーできない
  4. H.264で録画中はBDMVの再生が出来ない
  5. H.264のBD-REはPS3で再生できない(MPEG2と混在していても、MPEG2は再生可)
  6. ドライブトレイは本体の左側にある。しかし、イジェクトボタンは本体右側で、左側は電源ボタンなので間違えそうになる
  7. 「操作一覧」から初期設定のメニューを出そうとしたら、そのままハングした。電源OFFにしても「PLEASE WAIT」のままで電源が落ちなかったので、コンセントを抜くしかなかった
  8. i.LINKでの「BD-HD100DMR-BW900(amazon)」のmoveは可能
  9. i.LINKでの「RD-X6(amazon) → DMR-BW900(amazon)」のmoveは不可。間にRec-Potを挟む必要がある

とりあえず、以上が今日のネタ。


2007/10/28(Sun)

(9:00) 起床

起床。

(16:00) DMR-BW900の仕様

DMR-BW900(amazon)で分かった仕様、バグ。

  1. 5.1chコンテンツを直接H.264エンコード録画すると2ch DOLBY DIGITALになる。ダウンミックスでなく、Center,Surrond L+Rは捨てられるので、映画だと台詞が聞こえません。バグです。
  2. DR(MPEG2のまま)で録画したあと、HDD上でH.264の変換すればちゃんと5.1ch DDになる。
  3. 途中で2ch AAC→ 5.1ch AACに変わるコンテンツは、2ch DD→ 5.1ch DDに変わる。
  4. 4.0ch AACコンテンツ(2000年の紅白)は 5.1ch DDになる。リア1ch分しかないのだが、それをSL,SRに同じ音を入れているようだ。 コピーフリーコンテンツで、BD→HDDのコピーが出来ない。BD-HD100は出来たのに。
  5. HG(H.264の12.9Mbps)は文字周辺でモスキートノイズが必ず出る。高周波はバッサリと捨ててるようだ。
  6. HE(H.264の5.7Mbps)だと、アニメの静止画であっても、結構劣化が分かる。
  7. BDドライブのシーク音がかなりウルサい

H.264は1passのリアルタイムエンコードなんで、画質は良くない。 正直、HGモード以外は微妙。HGでも劣化は分かるが目くじら立てるほどのものではない。 基本はもちろん無劣化のDRモード。ちょっと時間を延ばしたいモノはHG、全然画質を気にしないドラマ・バラエティならHXってところか。


2007/10/29(Mon)

(23:30) 帰宅

帰宅。月曜日から遅くなるのは辛い。

(25:30) AACS V4も破られたらしい

次世代DVDの暗号技術AACS最新版V4も破られた?。 V4もあっという間に破られたな。 さて、藤井社長のコメントが欲しいところだ。AACSで十分と言っていたんだから、説明責任があるよ。


2007/10/30(Tue)

(23:00) 帰宅

最近、帰りが遅くなってる。いかんな。

(24:30) シャープ

シャープが“機能限定”BDレコーダを投入する理由。 目の付けどころがとってもシャープだ。 でも、どうも外してるようにしか思えんが。


2007/10/31(Wed)

(24:00) 藤井社長と片岡氏の痛い発言

東芝、藤井氏「“今年中の戦争終結”は撤回」、RD-X7投入も明言 − 東芝発表会詳報(1)。 『1層DVD-Rに約2時間の記録が行える点を強調。「A社はDVDへ記録できず、B社も約1時間40分しか記録できない」と述べた。』。 圧縮率を上げればいくらでも入るんだから、そんなところしかアピール出来ないというのはどうかと思う。
東芝・片岡氏、BD陣営内で不整合が起きていると主張 − 東芝発表会詳報(2)。 藤井社長はどうでもいいが、最近は片岡氏の発言も痛くなってきて、ちょっと可哀想だ。 相変わらず、HD DVDはメディアコストが安いとアピールしているが、現実を見てないよなぁ。 今はHD DVD-Rの値段があまり下がってなくて、BD-Rは着実に下がってる。いまはBD-Rは容量が多いのにHD DVD-Rより安くなっている。 そういう現実は無視か。
HD Recは音声をAACのまま保存できるのは優れていると思う。 再エンコードが不要な高速コピーをアピールしているが、RD-A301は録画時にはH.264化はできなくて、MPEG2録画のみ。 後から、H.264に再エンコードしないといけない。明らかに劣ってるのに、それは無視か。


Home Page | PS3でH.264/AVC | Prontoのページ | 東芝ユーザーサポート | 68用フリーソフト | windows用フリーソフト | Zaurus用フリーソフト | FIVA | ThinkPad s30 | Zaurus | Blu-Ray表(XML) | PS-GF表 | ToD表 | Drill表 | GT3表(XML)