Diary Diary Revolution



Home Page | PS3でH.264/AVC | Prontoのページ | 東芝ユーザーサポート | AV機器の部屋 | 68用フリーソフト | windows用フリーソフト | Zaurus用フリーソフト

2012/5/21(Mon)

(7:30) 金環日食

金環日食を見る。 ペットボトルを切り取って、それを黒マジックで塗りつぶしたので代用した。 1枚では十分遮光できなったので、2枚重ねで丁度だった。
で、少し曇ったりもしたけど、概ね見ることができた。 子供はずっとiPadで、まどマギを見ていた。

(22:00) B-CAS社のコメント

B-CAS改ざん方法の投稿問題で「不正視聴に法的措置も」。 B-CAS、WOWOWスカパー!のコメントが出たか。 「技術的対応」は何を考えているかが気になる。


2012/5/22(Tue)

(23:00) B-CAS

6月ごろに「BCAS ID to Km」のソースを公開すると読める予告文が流れる。 それが事実とすると完全攻略だな。 まだTカードの一部は攻略されていないけど、ID番号情報だけでEMMを生成できることになるで、 すべてのカードが攻略されてしまう。
いまの暫定対処として、Kwを1ヶ月に変えるという方法もあるけど、上のことが出来ると、どれかのカード当てにEMMを送ってしまうと、 それを解読されて、新規のKwがすぐにバレてしまうことになる。

(23:30) HMZ-T1

ソニー、“予想を上回る注文”で3D/有機EL HMD「HMZ-T1」の受注を一時停止。 発売されて半年以上経つけど、まだ品薄なのか。 年末には新機種が出るんじゃないかと思うけど、生産調整も難しいなぁ。


2012/5/23(Wed)

(23:30) ダークナイト ライジング

ダークナイト ライジング(amazon)」の日本語版の予告編が更新された。 あと2ヶ月ほどか。

(24:00) SoftCas

SoftCasのソースコードも公開されたみたいで、もう、どうしようもない状態だな。


2012/5/24(Thu)

(21:00) トラブル対応

トラブル対応でドタバタ。


2012/5/25(Fri)

(17:30) 仕事

仕事はなんとかケリがついた。 と言うわけで、来週月曜日の夜間対応は予定通りに実施に確定。

(20:00) ダーツ部

最初のクリケットは2.44を出して、11ラウンドで勝った。 しかし、そこをピークにだんだん調子が悪くなった。


2012/5/26(Sat)

(14:00) 家事

今日は町内の清掃大会があったり、ガスコンロの交換作業があったりして引き籠もり。

(18:00) B-CAS

TカードのPINコード解析は、タイミング攻撃を利用した サイドチャネル攻撃 で判明したのではないかとのことだ。 一方、Mカードはタイミング攻撃を防ぐための対策がされていて、 分岐してもクロック数が同一になるようにNOPで調整されていたようだ。 しかし、折角対策をしていても、M001では、そのPINコードなしでメモリダンプできたので意味がなかった。


2012/5/27(Sun)

(12:00) 公園

ケンタッキーで昼ご飯を買い込んで、公園へ。 日陰だと涼しいけど、日向は暑い。 これから30度超えてくると、公園遊びも辛いな。

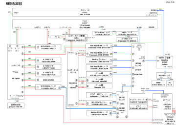
(24:00) 配線図

DVDO iScan Duoを導入したので、配線図を更新

配線図

DVDO iScan DuoGefen HDMI Switcher 6x2をカスケード接続したので、HDMIは13台まで戦える。 残り4つしかないけど。 あと、AVアンプのDTC-9.8は音声のみの入力になって、ハブとして使わなくなったので、接続数が大幅に減った。


2012/5/28(Mon)

(7:00) 夜間対応

今日は夜間対応なので、夜から出社。

(14:00) 昼寝

とりあえず、2時間ほど昼寝。

(19:00) 会社

会社到着。


2012/5/29(Tue)

(9:00) 解放

いろいろあったけど、なんとか無事に終了。というわけで、帰る。

(16:00) 昼寝

4時間ほど昼寝。


2012/5/30(Wed)

(22:00) DOLBY ATOMS

サラウンドの常識を打ち破るドルビーATMOS。 最大128トラックのデータをそのまま乗せておいて、映画館のスピーカー構成に応じてリアルタイムでレンダリングするのか。 かなり力業だと思うが、いろいろ考えるねぇ。


2012/5/31(Thu)

(23:00) iVDR

「iVDR EXPO 2012」開催。USB接続のiVDRも参考展示。 麻倉さんの「iVDRを知っているのは、コンソーシアムの関係者だけ。いま使っている人はiVが欲しくて買ったわけではない。Woooを買っただけ。」 のコメントは直球過ぎて酷い。 ギャラもらって公演してるのに、本当のことを言ったらいかんだろう。


Home Page | PS3でH.264/AVC | Prontoのページ | 東芝ユーザーサポート | 68用フリーソフト | windows用フリーソフト | Zaurus用フリーソフト | FIVA | ThinkPad s30 | Zaurus | Blu-Ray表(XML) | PS-GF表 | ToD表 | Drill表 | GT3表(XML)